
KING AIR
KING AIR manufactures Overload Protector, Quick Die & Mold Change System, and Automatic Die Logistics Management System for more than 30 years. We not only implement the principles of knowledge, technique, and creativity to every product, and we also run after perfection of quality. Additionally, the perspective of not being content with what we have helps us actively develop more competitive products.
KING AIR are always focusing on the safety of operators and satisfaction of customers. We adhere to practical spirit having our feet on the ground and keep pursuing steady growth. Taking every detail seriously, each part of our goods are scrutinized before delivery. Striving for the highest standards, we promise to satisfy customers’ demand and offer our best services to them.
Servo electric press
Introduced
Effective and reliable features in an increasingly competitive market will be a key factor in the success of the product. In the field of metal stamping molding, high precision, better yield, production elasticity, and low energy loss and maintenance can truly demonstrate the differentiation and competitive advantage of the product. All of these characteristics depend on precision, efficiency and high dynamic movement, and can be adapted to the functional requirements of different materials.
State-of-the-date press beds
Servo electric press, or servo punch, can be used in the production process required for control, repeat accuracy, and dependence. Designed by Ken Yueya, the latest servo electric press, compared with the traditional oil pressure or air pressure as the structure of the press, with controllable speed, adjustable force, high precision, and long life and many other advantages, these characteristics can not only completely replace the traditional press, but also can provide users with good operating experience.
Direct drive technology
Using servo-controlled technology, the stroke can be precisely adjusted to make each action more efficient, and corresponding to each operation output required. In addition, we simplify the machine design, using a unique direct drive internal Tibetan motor structure, eliminating the maintenance of air pressure, oil pressure elements, or replacement of belts, pulleys, these will be lost over time resulting in back gaps generated by the drive parts, so that the machine to present better performance and life. Uniquely designed screw structure, can withstand the impact of the load, improve the widespread use of ball screw, in high load easy to cause steel bead deformation problems, improve the life and rigidity of the overall structure.

Featured introduction
KASEC® is a servo electric cylinder produced by Ken Yueya. The servo electric cylinder is driven by a servo motor to drive the screw back and forth to generate thrust. Compared to the traditional use of oil cylinders and air cylinders, KASEC® both high-precision, controllable speed, controllable output and long life advantages, can completely replace its functionand and achieve more stringent requirements for use. Traditional use of oil pressure or air pressure, it is difficult to control the speed and the accuracy of the position, the precision of the workpiece is prone to deformation and production efficiency reduction. KASEC® use servo control to improve the shortcomings, improve equipment performance, so that it has both the output of the cylinder and the speed of the air cylinder, and only simple maintenance can maintain a long service life, is the best replacement for the air cylinder and cylinder. At present, KASEC® are divided into QTA and QT two series, QTA for servo motor external form, can match different brand of servo motor according to demand, has a high degree of convenience;
Example of an app
KASEC® can be used differently according to usage needs and can be used in a wide range of applications, such as:
- Break
- Tightening
- Clamping
- Riveting
- Welding
- Extrusion
- Bend
- Connection
Punch rapid mold change system

Featured introduction
When changing molds, punching and shooting machines often require a lot of manpower and time, which not only increases the cost of production, but also reduces the efficiency of output. The rapid mold change system consists of a mezzanine, a mold lifter, a mold shift arm, and a power unit. Through the combination of these devices, the user can quickly change the mold and clamp the mold, completely reduce the mold change time. In addition, the fast mold change system is easy to operate and can be done with only the button control on the control box.
The rapid mold change system is 100% customized according to customer needs,
so Ken Yueya can adapt the most suitable system with the user’s habits. At the same time, each product in the factory before, from the production, assembly, testing, packaging, are through the layerof strict control, in order to achieve the highest standards of process and the best quality.
Ken Yueya’s rapid mold change system
has been CE certified and is a guarantee of quality. At the same time, we can meet customer needs, and provide a sound repair and maintenance services.






Featured introduction
When changing molds, punching and shooting machines often require a lot of manpower and time, which not only increases the cost of production, but also reduces the efficiency of output. The quick mold change system consists of a chuck and a power unit. Through the combination of these devices, the user can quickly change the mold and clamp the mold, completely reduce the mold change time. In addition, the fast mold change system is easy to operate and can be completed with only the button control on the control box.
The rapid mold change system is 100% customized according to customer needs,
so Ken Yueya can adapt the most suitable system with the user’s habits. At the same time, each product in the factory before, from the production, assembly, testing, packaging, are through the layerof strict control, in order to achieve the highest standards of process and the best quality.
Ken Yueya’s rapid mold change system
has been CE certified and is a guarantee of quality. At the same time, we can meet customer needs, and provide a sound repair and maintenance services.
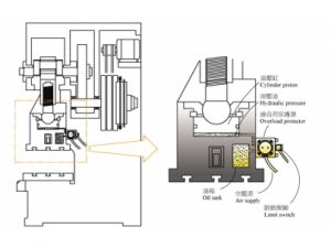
Punch overload protection equipment


Featured introduction
The overload protection device is mounted on the punching bed to detect the pressure of the oil cylinder inside the punch slider. The punch in the stamping production, if the load exceeds the maximum capacity allowed by the punch, the overload protector will immediately start, so that the oil pressure in the slider can be released quickly, and by the micro-switch to generate electrical signal, instantaneousstop the operation of the punch to protect the mold and punching mechanism.
Ken Yueya’s overload protection devices are divided into five types: air-pressure, spring-type, dual crankshaft, special type, multi-point type. One of the spring type is currently the most general-use type specifications. Ken Yueya can completely according to customer demand, set different overload pressure, but also with the customer punch type, research and development of the corresponding overload device.
Kanye’s overload protection is a guarantee of quality and your only and right choice.
PC plate punch ingenuation system

Mold logistics automatic management systems

Water resources

Customized products





บริษัท ที.เจ. โซลูชั่น จำกัด (T.J. Solutions co.,ltd.) จัดจำหน่ายและให้บริการในประเทศไทย









