Home

Products

Applications

Service

About us

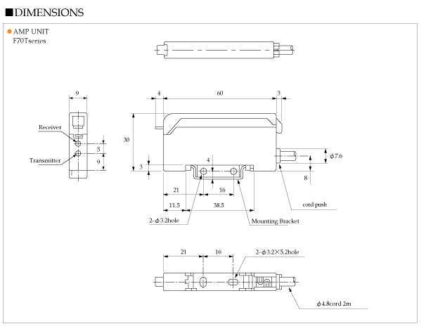
TAKEX Sensor- F70TTWO POINTS OUTPUT DIGITAL FIBER OPTIC SENSOR



Two point output and area
output mode are equipped.
An advanced function of F70 is
succeeded, and, in addition, the
detection specification is
improved

 

Model

NPN

F70TR

F70TG

F70TB

F70TW

PNP

F70TRPN

F70TGPN

F70TBPN

F70TWPN

Detection

Through beam/Reflective(by fiber unit)

Range

Depending on fiber unit

Power supply

12 to 24VDC±10%, Ripple 10% Max.

Current consumption

NPN type: 39mA, PNP type: 50mA

Output
mode

NPN

  CH1: Open collector output, Rating : Sink current 100mA ( DC30V ) Max.
CH2: Open collector output, Rating : Sink current 50mA ( DC30V ) Max.

PNP

  CH1: Open collector output, Rating : Source current 100mA ( DC30V )Max.
CH2: Open collector output, Rating : Source current 50mA ( DC30V )Max.

Oparating mode

Light-On/Dark-On selectable

Time delay

OFF delay 40ms fixed

Response time

1ms Max.

Light source

Red LED(680nm)

Green LED(565nm)

Blue LED(470nm)

WHITE(450~750nm)

Indicators

Operating: CH1 = Green LED, CH2 = Orange LED

Display

LCD with back light

Switch

Setting button : 2 Operating changeover switch : RUN / SELECT / MODE

Teaching system

Full auto teaching/Auto teaching

Teaching input

Setting button / External input

Circuit protection

Built-in

Materials

Polycarbonate

Cable

Flying lead (Outer dia 4.8mm) 2m length

Weight (Max.)

80g

top ^

 

Copyright 2012© T.J. Solution Co.,Ltd.

| F70A | F70 | F71 | F70T | F71RAN | F2R | Fiber Optic Cables | Accessories | F80 |

 

                                    

 

 

        

                                   
          

 

call center