Home

Products

Applications

Service

About us

TAKEX Sensor- F70A FIBER OPTIC SENSOR


 

The digital presentation of sensing information

Function setting by an easy operation

The stability level is displayed directly in a receiving optical level and the displacement display

Display which sees easily in backlight add LCD

It equips it with an easy-to-use function





 

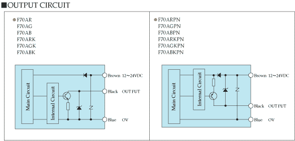
Models

NPN

F70AR(K)

F70AG(K)

F70AB(K)

PNP

F70AR(K)PN

F70AG(K)PN

F70AB(K)PN

Detection

Through beam/Reflective(by fiber unit)

Range

Depending on fiber unit

Power supply

12 to 24VDC±10%, Ripple 10% Max.

Current consumption

NPN type: 39mA, PNP type: 50mA

Output mode

NPN

Open collector output, Rating : Sink current 100mA Max.

PNP

Open collector output, Rating : Source current 100mA Max.

Operating mode

Light-on/Dark-on selectable

Time delay

OFF delay 40ms fixed

Response time

Frequency 1: 600µs(Max.)
Frequency 2: 700µs(Max.)

Light source

Red LED(680nm)

Green LED(565nm)

Blue LED(470nm)

Indicators

Oprating: Orange LED, Stability: Green LED

Display

LCD with back light

Teaching system

Full auto teaching/Auto teaching

Interference protection

Built-in

Circuit protection

Short circuit protection built-in

Materials

Polycarbonate

Wiring

Flying lead 2m (*1)
K-series: Exclusive connector

Weight (Max.)

80g

*1 : M8 connector type is available. (-J)

top ^

 

Copyright 2012© T.J. Solution Co.,Ltd.

| F70A | F70 | F71 | F70T | F71RAN | F2R | Fiber Optic Cables | Accessories | F80 |

 

                                    

 

 

        

                                   
          

 

call center